公司介绍
董事长致辞
领导团队
企业荣誉
领导关怀
宏达风貌
万象城在线登录
公司公告
公司新闻
媒体看宏达
行业新闻
政策法规
党建工会
党委
工委
宏达文化
文化理念
宏达之歌
营销中心
棒材
钢坯
线材
盘螺
产品认证
客户留言
客户留言
万象城(中国)
万象城(中国)
招聘信息
电商平台
首页
公司介绍
公司概况
董事长致辞
领导团队
企业荣誉
领导关怀
宏达风貌
万象城在线登录
公司公告
公司新闻
媒体看宏达
行业新闻
政策法规
党建工会
党委
工会
宏达文化
文化理念
宏达之歌
营销中心
棒材
钢坯
线材
盘螺
产品认证
客户留言
万象城(中国)
万象城(中国)
招聘信息
电商平台
公司介绍
公司概况
董事长致辞
领导团队
企业荣誉
领导关怀
宏达风貌
万象城在线登录
公司公告
公司新闻
媒体看宏达
行业新闻
政策法规
党建工会
党委
工委
宏达文化
文化理念
宏达之歌
营销中心
棒材
钢坯
线材
盘螺
产品认证
客户留言
客户留言
万象城(中国)
万象城(中国)
招聘信息
电商平台
万象城在线登录
首页
万象城在线登录
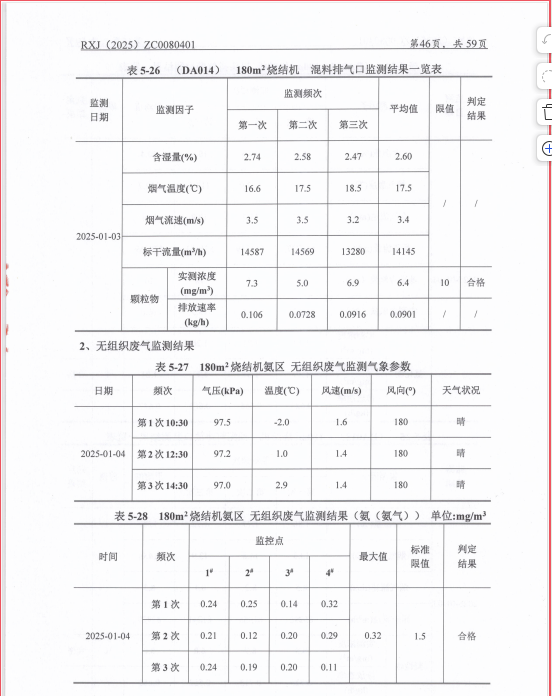
2025年第一季度污染物自行监测
2025年第一季度污染物自行监测
时间:
2025-04-05
2025年第二季度污染物自行监测报告
2025年4月份水污染物自行监测报告
400-635-6661(售后投诉)
sxhdjt@163.com
九州平台
|
拼搏注册
|
开云手机官方网站入口
|
开云手机入口
|
开云手机网页
|
开云(中国电子)·KAIYUN官方网站
|
开云手机web版登录入口
|
lejing乐竞体育(中国)官方网站-登录入口
|
开云线上官网·中国有限责任公司
|